ロックインアンプとは?
ロックインアンプを簡単に説明するなら、「ノイズに埋もれた微小な信号を、ノイズだけを削ぎ落として正確に測定する装置」です。
精密計測において、測りたい信号が電源ノイズや熱雑音に埋もれてしまい、通常のデジタルマルチメーターでは測定が難しいケースがあります。
そこで登場するのがロックインアンプです。この装置は、測定対象を特定の周波数で変化させ、特定の信号だけを抽出します。
そして、フィルターによって不要なノイズを徹底的に取り除くことで、通常の電圧計では不可能なレベルの微小信号を捉えることができるのです。
また、信号の大きさ(電圧)だけでなく、基準となる周波数からの「位相のズレ」を同時に測定できる点も、この装置の大きな特徴です。
基本原理
ロックインアンプの中心的な部分である位相敏感検波(Phase Sensitive Detection: PSD)についてです。
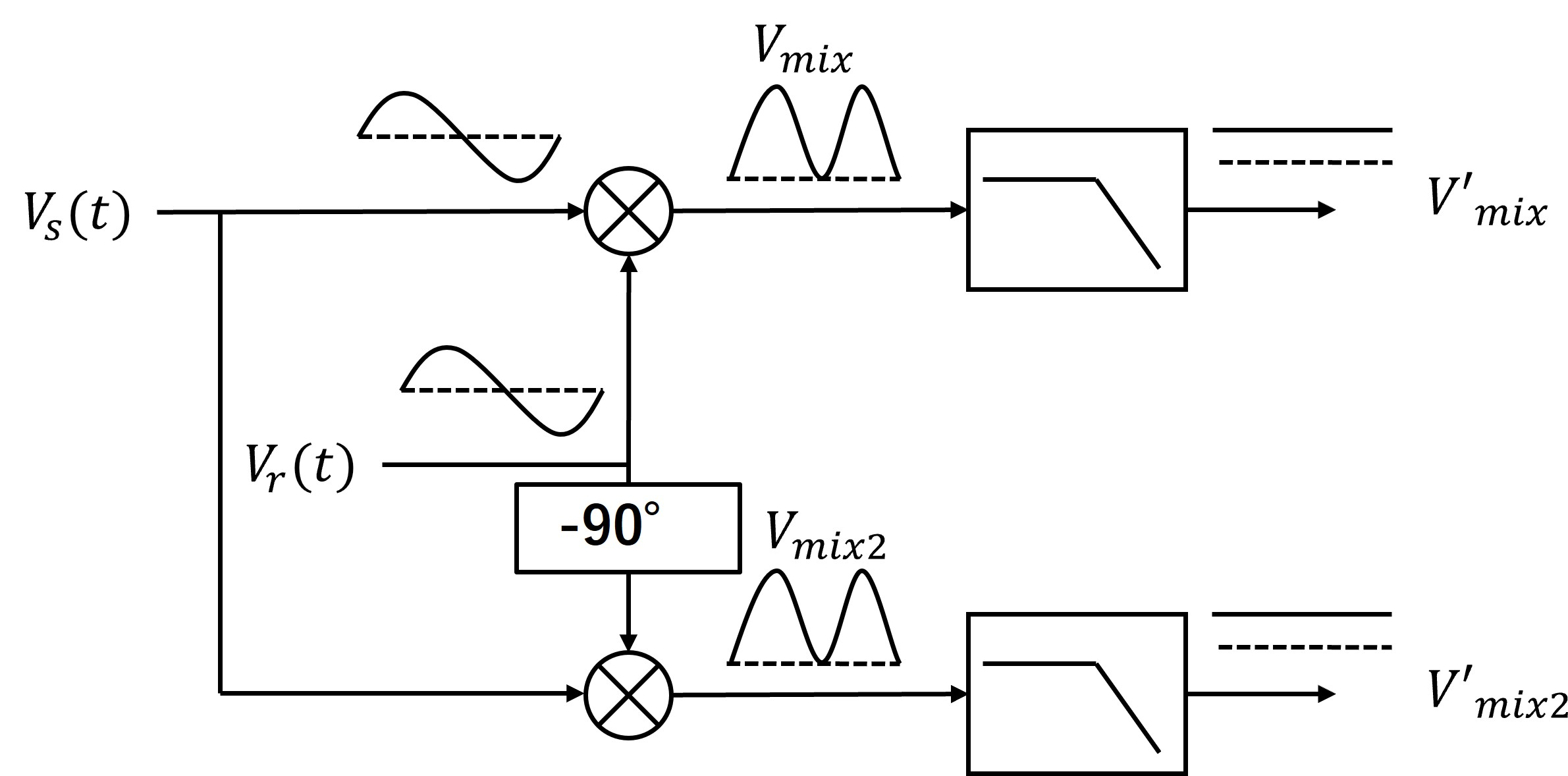
PSDは下図のような構造をしており、入力信号Vs(t)と参照信号Vr(t)をミキサーで乗算してその出力をローパスフィルターを通して直流の信号を出力します。

実際に計算して確かめましょう。
入力信号をVs(t)=Vssin(ωt+ϕs)、参照信号をVr(t)=Vrsin(ωt)とします。すると乗算機の出力Vmix(t)は
Vmix=VsVrsin(ωt+ϕs)sin(ωt)=2VsVrcos(ϕs)−2VsVrcos(2ωt+ϕs)
となります。そして、Vmixの出力第1項は直流、第2項は交流なのでローパスフィルターを通すとVmix′を得ます。
Vmix′=2VsVrcos(ϕs)
しかし、このままではϕsの値が分からければVsを知ることはできません。そこで、位相を90度遅らせたVr′=Vrcos(ωt)を用いて同様の回路を下図のように組みます。

すると、Vmix2、Vmix2′はそれぞれ
Vmix2=VsVrsin(ωt+ϕs)cos(ωt)=2VsVrsin(ϕs)+2VsVrsin(2ωt+ϕs)
となります。そして、Vmix2の出力第1項は直流、第2項は2倍の周波数の交流なのでローパスフィルターを通すとVmix2′を得ます。
Vmix2′=2VsVrsin(ϕs)
Vmix′とVmix2′から
ϕs=tan−1(Vmix′Vmix2′)
R=(Vmix′)2+(Vmix2′)2∝Vs
を求めることができます。実際にはVrを1になるように回路を組むもしくはRをVrで割るなどします。